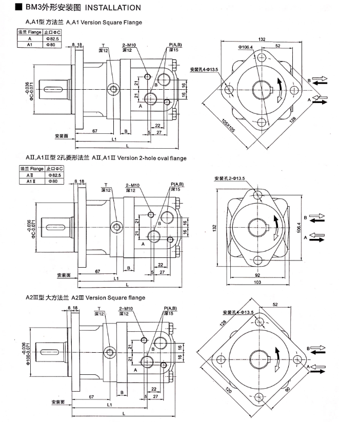
BM系列端面配流摆线液压马达,是一种低速大转矩液压马达。它的端面配油提高了容积效率及使用寿命。
性能特点:
该系列马达具有输出扭矩大,转速范围宽、高速平稳、低速稳定、效率高、寿命长、体积小、重量轻、可以直接与工作机构相连接等优点。因而适用于各种低速重载的传动装置,广泛应用于农业、渔业、船舶、机床、注塑、起重装卸、采矿和建筑等部门。如:液压挖掘机的行走和回转驱动;机床主轴和进给机构的驱动;注塑机的预塑螺杆驱动;船舶的锚链升降及渔轮收网;绞车驱动及各种输送机的驱动;采煤机的液压牵引传动等。







公司名称:宁波市镇海品诺液压有限公司
联系电话: 13906697186 86361668
联系电话: 0574-86263577 86361668
公司地址:宁波市镇海五丰工业区顺泰路188号
关键词:关键词一、关键词二、关键词三、关键词四