液压马达厂家
您当前的位置 : 首 页 > 产品中心 > 径向配油球塞型
履带行走装置,4PNXZMA2

履带行走装置,4PNXZMA2

  • 所属分类:径向配油球塞型
  • 浏览次数:
  • 发布日期:2020-12-19 17:45:56
  • 产品概述
  • 性能参数
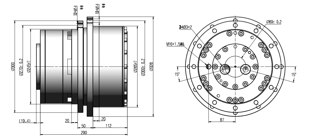
  • 安装参数

4PNXZNMA2系列液压履带行走装置由凌压马达、行星减速器、片式制动器组成。该装置的特,点是工作压力高、输出扭矩大、比其他同类产品制动可靠,制动扭矩是工作扭拒的1.5倍,可以适应各种恶劣的工作环境,所以可广泛应用于各种震带式行走的工作机构中。



型号意义:

1

2
3
4
5
4
PN
XZM
A2
-/TA

1、表示戚速器行星齿轮数
2、行走马达
3、系列号
4、无-表示标准型, TA-表示TA类型
5、液压马达排量(毫升/转)




image.png

image.png

上一篇:履带行走装置,4PNXZMA2-TA2020-12-19
下一篇:没有了

最近浏览:

联系我们

履带行走马达 公司名称:宁波市镇海品诺液压有限公司

履带行走马达  联系电话: 13906697186  86361668

履带行走马达,液压马达厂家  联系电话: 0574-86263577  86361668

液压马达厂家 公司地址:宁波市镇海五丰工业区顺泰路188号

关键词:关键词一、关键词二、关键词三、关键词四