本类型液压履带行走装置,可广泛应用于矿山机械、起重运输设备、重型冶金机械、石油煤矿机械、船舶甲板机械、地质钻探设备、农业和林业机械、矿物机械、建筑设备和工作平台、特殊车辆、渔业卷扬机等各种机械的液压传动系统中。本类型液压传动装置是由液压马达、行星减速器、片式制动器组成。整体的结构紧凑、外形美观、可靠性强、体积小、运行平稳。其中的液压马达为轴向配油柱塞型,这款马达的容积效率,马达承载能力(最 高压力可达40Mpa),使用寿命都比同类型马达高。片式制动器为内控开启式,但独立于马达之外,所以对马达影响小制动更加可靠。长时间使用后,内部磨损,更可以在不拆卸整机的情况下调节制动扭矩。本类型液压履带行走装置可以适应更加恶劣的工况,使用寿命长。
型号意义:
| 1 | 2 | 3 | 4 | 5 | 6 | 7 | |
| 4 | PN | XZM | A5 |
1、减速器行星齿轮数
2、行走马达
3、减速比为5
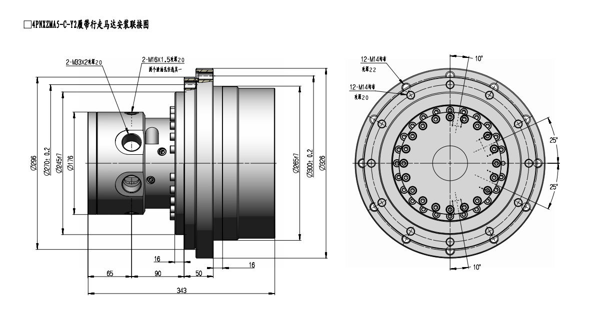
4、省略-表示止口 ∅245-∅265,两止口间距50;B-表示止口∅210-∅265,两止口间距80
5、总排量(毫升/转)
6、M-平台放置油口(默认省略)C-圆柱面放置油口
7、油口类型
| 进出油口 | 泄油口 | |
| Y(默认省略) | G1/2" | G1/4" |
| Y1 | M33*2 | G1/4" |
| Y2 | M33*2 | M16*1.5 |




公司名称:宁波市镇海品诺液压有限公司
联系电话: 13906697186 86361668
联系电话: 0574-86263577 86361668
公司地址:宁波市镇海五丰工业区顺泰路188号
关键词:关键词一、关键词二、关键词三、关键词四