液压马达厂家
您当前的位置 : 首 页 > 产品中心 > PNM
液压马达,PNM3-B

液压马达,PNM3-B

  • 所属分类:PNM
  • 浏览次数:
  • 发布日期:2020-12-19 17:47:33
  • 产品概述
  • 性能参数
  • 安装参数


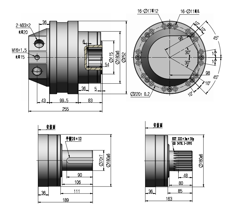
由QJM型液压马达转型而来的PNM型液压马达,其内部结构由径向配油球塞型改为轴向配油柱塞型,其突出的优点是泄漏量极小,故容积效率极高,且滚柱与定子曲线在理论上由
滚球的点接触改为线接触,降低了比压,使马达承载能力比同类型QM马达大为提高,从而提高了输出扭矩。此外,本型马达有L型和B型两款,定子曲线为六曲线和八曲线,其
中B型马达排量是同类型的六曲线马达的1.33倍,其输出扭矩更可大幅度提高。本型马达是QJM马达的升级换代产品,对大批量替代QJM型马达有重大意义。



型号意义:



1

2

3
PNM

-

-

1、系列号同一系列外形体积相同1、2、3、4、5、6、7、8、9

2、导轨曲线作用次数    L-表示6段曲线    B-表示8段曲线

3、排量(升/转)




image.png

image.png

上一篇:液压马达,PNM2-L2020-12-19
下一篇:液压马达,PNM3-L2020-12-19

最近浏览:

联系我们

履带行走马达 公司名称:宁波市镇海品诺液压有限公司

履带行走马达  联系电话: 13906697186  86361668

履带行走马达,液压马达厂家  联系电话: 0574-86263577  86361668

液压马达厂家 公司地址:宁波市镇海五丰工业区顺泰路188号

关键词:关键词一、关键词二、关键词三、关键词四