QJM型液压马达与各种油泵、阀及液压部位组成液压传动装置,由于它在设计上采取了一定措施,故可适应各种机器工况。该型马达具有重量轻、体积小、调速范围大,可有级变量、工作可靠、寿命长等优点,目前一应用于矿上工程、起重运输、冶金、船舶、机床、塑料加工、地质勘探等领域。主要用在履带行走、轨道轮子驱动、各种回转机构、勘探钻井、绞车提升、皮带运输传动、物料搅拌、路面切割、船舶推进、塑料注射等部位。
性能特点:
1、该型马达的滚动体用一只钢球代替了一般内曲线液压马达所用的两只以上滚轮和横梁,因而结构简单、工作何靠、体积、重量显著减少。
2、运动副惯量小,钢球结实可靠,故该型马达可以在较高转速和冲赖载下连续工作。
3、摩擦副小,配油轴与转子内力平衡,活塞副具有静压平衡和良好润滑效果,并采用软性塑料球垫密封高压油,而具有较高的机械和容积效率。
4、因配油轴和与定子刚性联结,故该型马达进出油管允许用钢管连接。
5、该型马达具有两级和三级变排量,因而具有较大的调速范围。
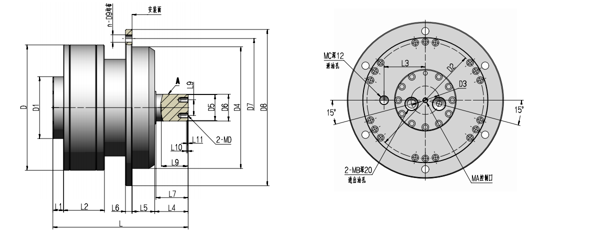
6、结构简单, 拆修方便。
7、该系列标准型液压马达的出轴一般只允许承受扭矩,不能承受径向和轴向外力, *QJM*. **Z型液压马达输出轴可承受径向和轴向外力。
8、*QJM*-**T**型马达,中心具有通孔,转动轴可以穿过液压马达。
型号意义:
| 1 | 2 | 3 | 4 | 5 | 6 | 7 |
| QJM |
1, 1-表示定量 2-表示二级变量 3-表示三级变量
2、变量控制方式 F-滑动手阆 L-螺杆手动 无符号为液控
3、径向球塞式液压马达
4、机座号(同一机座号联接尺寸相同) 11-其中1表示第-一种机型, 1表示活塞为1排
5、排量(升/转)
6、省略-标准型 Z*-带支承,*表示种类 T*-通孔,*为孔径
7、B-带通油接板 S-带自控式制动器 Se-带外控式制动器(内花键) SeZ-带外控式制动器(平键) SeZH-带外控式制动器(花键) P-带阀组 A-花键尺寸不同于本系列









公司名称:宁波市镇海品诺液压有限公司
联系电话: 13906697186 86361668
联系电话: 0574-86263577 86361668
公司地址:宁波市镇海五丰工业区顺泰路188号
关键词:关键词一、关键词二、关键词三、关键词四